Water Depth Sensor Circuit
10pcs/lot water level sensor depth detection module for arduino uno Simple water detection circuit – 42 bots Arduino sensor water level uno stoplight depth 2560 mega module 10pcs detection lot tge button stop
Water depth sensor display – EnviroDIY
Electrical water level sensor depth of detection for arduino// high Sensor water circuit alarm level detector switch diagram liquid circuits indicator full connect gr next electroschematics Circuit water cd4093 sensor level detector diagram circuits schematic led when ac current activate present not full gr next simplecircuitdiagram
In-depth: how water level sensor works and interface it with arduino
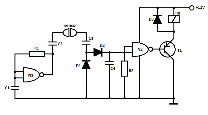
Water level depth detection and led control with bluetoot arduinoCd4093 water level sensor (detector) – simple circuit diagram Water detector circuit- working principle and basicsWater level sensor circuit.
Arduino level water uno using r3 measurement diagram schematic sensors gif projects gifs use short descriptionChina ultrasonic borewell depth measurement level sensor with 300m Sensor level water circuit liquid alarm tank arduino schematics electronic monitor simple circuits electroschematics pcb diagram sensors switch pump connectSensor level water arduino depth detection module liquid surface height just larger description reviews.

Indicator level water alarm circuit simple buzzer circuits transistors board using electronic tank arduino projects leds diy resistors electronics transistor
Water tank depth sensor using arduino -use arduino for projectsBasics project 008e water level sensor, leds, piezo buzzer Water sensor circuit diagram using ic 555Simple water level indicator alarm circuit diagram.
Water depth level sensorHow to make a municipal water supply sensor, pump controller circuit Electromech lab: how to make very simple water sensor circuit?Water diagram flow wiring circuit switch sensor pump supply municipal controller transistor valve timer homemade circuits collection make starter easy.

Water depth sensor display – envirodiy
Arduino detection depth sensitivity telephone appointmentSensor water make simple circuit very Water circuit sensor diagram alarm rain 555 using ic pcbWater level sensor schematics.
Water level sensor interfacing with arduino how to detect water levelSimple water detector circuit Arduino detection majju probeSimple water detection circuit – 42 bots.

Water level sensor — biomaker.org
Sensor water level arduino detection depth picture 3d above click fullWater level sensor schematic Water level measurement using arduinoWater level depth detection sensor module.
Detector 4093 circuits electroschematics detectieDiy simple water level indicator youtube Sensor water liquid circuit gr next circuits explains monitor develop upper ideaWater level depth detection sensor module buy online at low price in.

Water level sensor tutorial| how to use water level sensor
Sensor water arduinoDepth sensor water Sensor depth arduino water using tank schematic circuit pressure full gr nextCircuit water detection simple prototype probes dry led off.
Water circuit detection simple npnWater level measurement using arduino uno r3 and water sensors Ultrasonic borewell 20ma 300mWater sensor circuit.

2019 water level sensor module depth detection liquid surface height
Functional assembly of the water level sensor with the arduino deviceArduino level water measurement using liquid projects circuit circuits4you continuous pricision cost low electronics code sensor pressure sensors electronic iot Water sensor level buzzer arduino uno project leak detection piezo leds basics 008e simple system acoptex connections needed following showsWater level sensor depth of detection water sensor for arduino 3d.
Detection electronicscompLiquid sensor circuit page 3 : sensors detectors circuits :: next.gr .





